
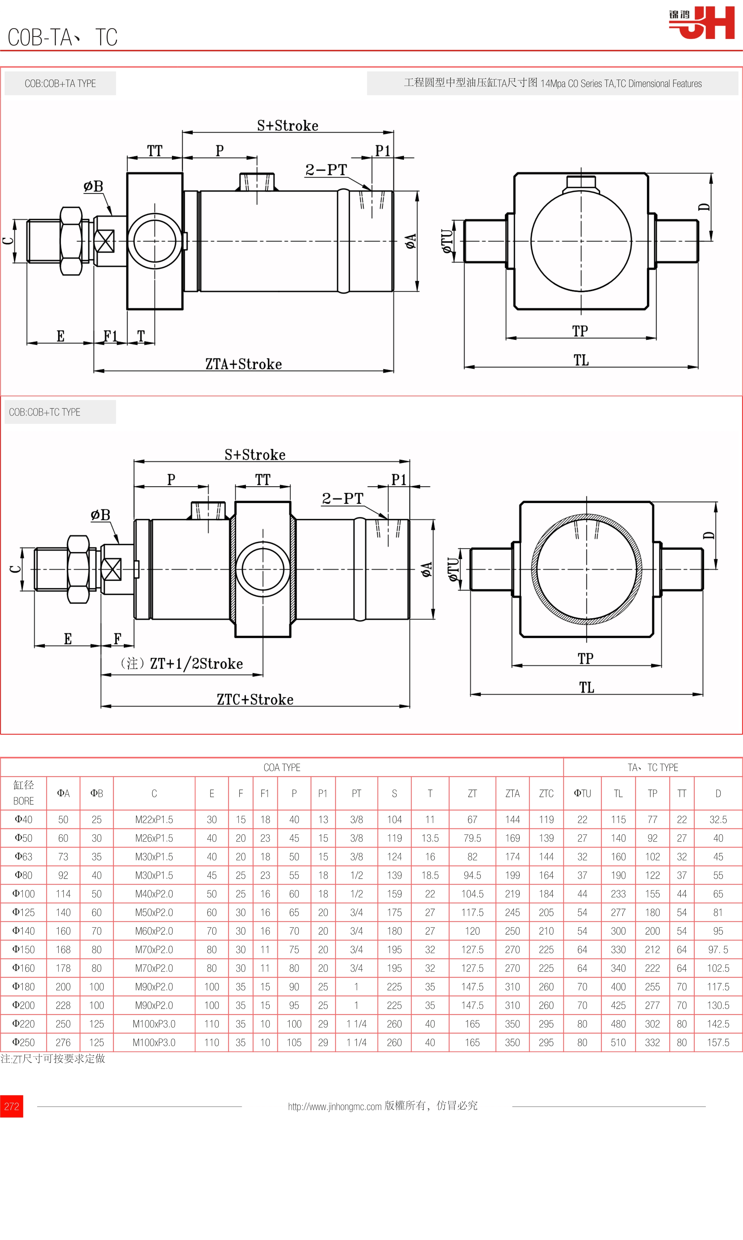
COB:COB+TA TYPE | 工程圓型中型油壓缸TA尺寸圖 14Mpa C0 Series TA,TC Dimensional Features |
![]() | |
COB:COB+TC TYPE

| COA TYPE | TA、TC TYPE | ||||||||||||||||||
| 缸徑 BORE | ΦA(chǔ) | ΦB | C | E | F | F1 | P | P1 | PT | S | T | ZT | ZTA | ZTC | ΦTU | TL | TP | TT | D |
| Φ40 | 50 | 25 | M22xP1.5 | 30 | 15 | 18 | 40 | 13 | 3/8 | 104 | 11 | 67 | 144 | 119 | 22 | 115 | 77 | 22 | 32.5 |
| Φ50 | 60 | 30 | M26xP1.5 | 40 | 20 | 23 | 45 | 15 | 3/8 | 119 | 13.5 | 79.5 | 169 | 139 | 27 | 140 | 92 | 27 | 40 |
| Φ63 | 73 | 35 | M30xP1.5 | 40 | 20 | 18 | 50 | 15 | 3/8 | 124 | 16 | 82 | 174 | 144 | 32 | 160 | 102 | 32 | 45 |
| Φ80 | 92 | 40 | M30xP1.5 | 45 | 25 | 23 | 55 | 18 | 1/2 | 139 | 18.5 | 94.5 | 199 | 164 | 37 | 190 | 122 | 37 | 55 |
| Φ100 | 114 | 50 | M40xP2.0 | 50 | 25 | 16 | 60 | 18 | 1/2 | 159 | 22 | 104.5 | 219 | 184 | 44 | 233 | 155 | 44 | 65 |
| Φ125 | 140 | 60 | M50xP2.0 | 60 | 30 | 16 | 65 | 20 | 3/4 | 175 | 27 | 117.5 | 245 | 205 | 54 | 277 | 180 | 54 | 81 |
| Φ140 | 160 | 70 | M60xP2.0 | 70 | 30 | 16 | 70 | 20 | 3/4 | 180 | 27 | 120 | 250 | 210 | 54 | 300 | 200 | 54 | 95 |
| Φ150 | 168 | 80 | M70xP2.0 | 80 | 30 | 11 | 75 | 20 | 3/4 | 195 | 32 | 127.5 | 270 | 225 | 64 | 330 | 212 | 64 | 97. 5 |
| Φ160 | 178 | 80 | M70xP2.0 | 80 | 30 | 11 | 80 | 20 | 3/4 | 195 | 32 | 127.5 | 270 | 225 | 64 | 340 | 222 | 64 | 102.5 |
| Φ180 | 200 | 100 | M90xP2.0 | 100 | 35 | 15 | 90 | 25 | 1 | 225 | 35 | 147.5 | 310 | 260 | 70 | 400 | 255 | 70 | 117.5 |
| Φ200 | 228 | 100 | M90xP2.0 | 100 | 35 | 15 | 95 | 25 | 1 | 225 | 35 | 147.5 | 310 | 260 | 70 | 425 | 277 | 70 | 130.5 |
| Φ220 | 250 | 125 | M100xP3.0 | 110 | 35 | 10 | 100 | 29 | 1 1/4 | 260 | 40 | 165 | 350 | 295 | 80 | 480 | 302 | 80 | 142.5 |
| Φ250 | 276 | 125 | M100xP3.0 | 110 | 35 | 10 | 105 | 29 | 1 1/4 | 260 | 40 | 165 | 350 | 295 | 80 | 510 | 332 | 80 | 157.5 |
注:ZT尺寸可按要求定做
訂購: c0b-ta-tc