
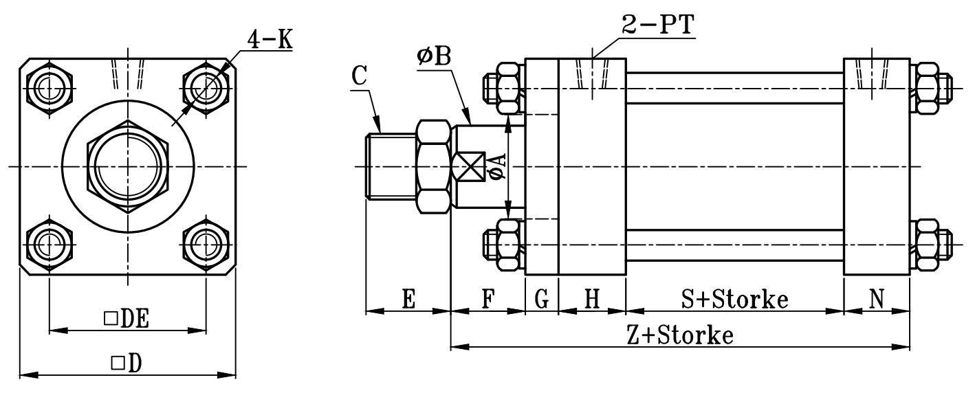
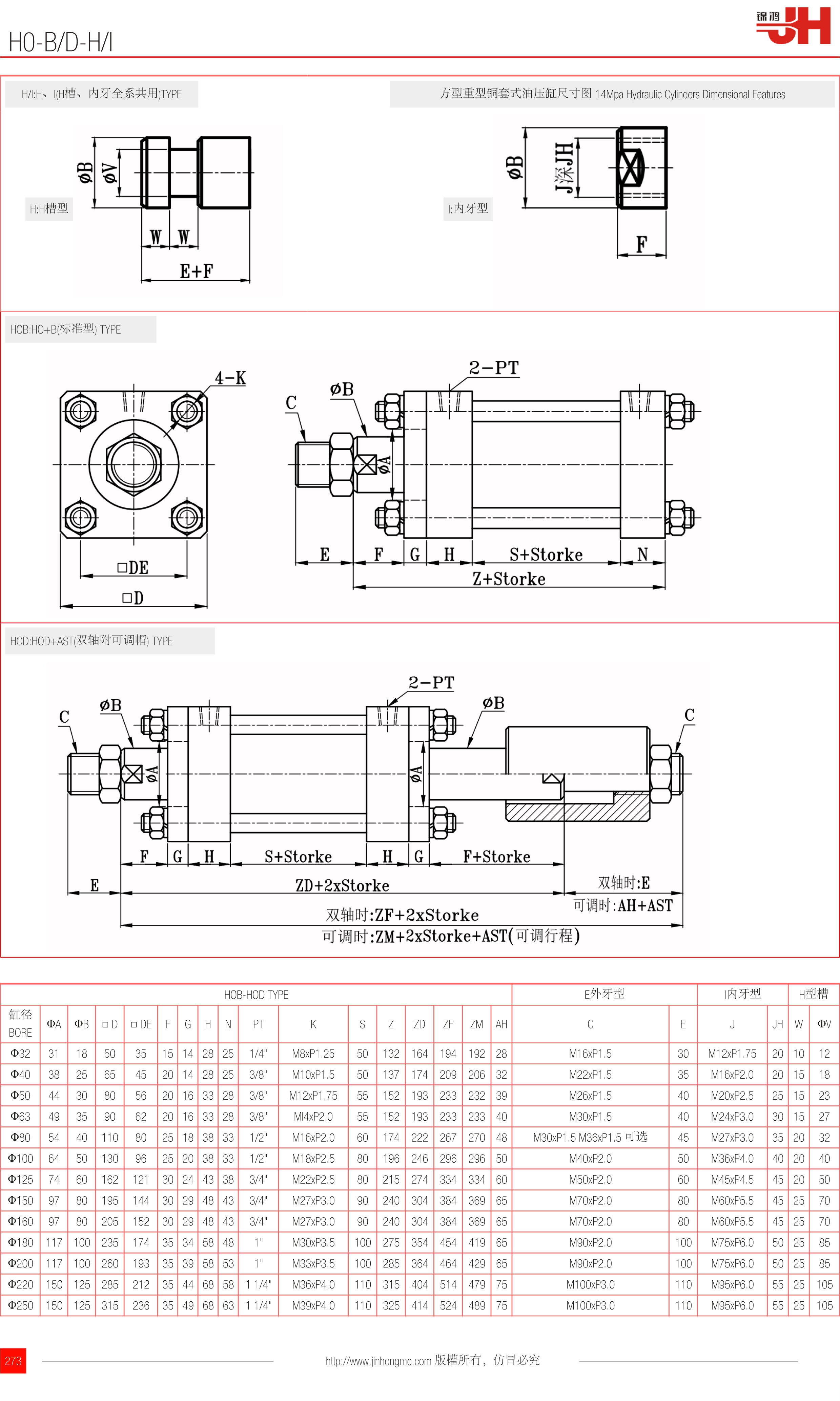
H/I:H、I(H槽、內牙全系共用)TYPE | 方型重型銅套式油壓缸尺寸圖 14Mpa Hydraulic Cylinders Dimensional Features |
H:H槽型![]() | I:內牙型![]() |
HOB:HO+B(標準型) TYPE

HOD:HOD+AST(雙軸附可調帽) TYPE

| HOB-HOD TYPE | E外牙型 | I內牙型 | H型槽 | |||||||||||||||||||
| 缸徑 BORE | ΦA | ΦB | □ D | □ DE | F | G | H | N | PT | K | S | Z | ZD | ZF | ZM | AH | C | E | J | JH | W | ΦV |
| Φ32 | 31 | 18 | 50 | 35 | 15 | 14 | 28 | 25 | 1/4" | M8xP1.25 | 50 | 132 | 164 | 194 | 192 | 28 | M16xP1.5 | 30 | M12xP1.75 | 20 | 10 | 12 |
| Φ40 | 38 | 25 | 65 | 45 | 20 | 14 | 28 | 25 | 3/8" | M10xP1.5 | 50 | 137 | 174 | 209 | 206 | 32 | M22xP1.5 | 35 | M16xP2.0 | 20 | 15 | 18 |
| Φ50 | 44 | 30 | 80 | 56 | 20 | 16 | 33 | 28 | 3/8" | M12xP1.75 | 55 | 152 | 193 | 233 | 232 | 39 | M26xP1.5 | 40 | M20xP2.5 | 25 | 15 | 23 |
| Φ63 | 49 | 35 | 90 | 62 | 20 | 16 | 33 | 28 | 3/8" | MI4xP2.0 | 55 | 152 | 193 | 233 | 233 | 40 | M30xP1.5 | 40 | M24xP3.0 | 30 | 15 | 27 |
| Φ80 | 54 | 40 | 110 | 80 | 25 | 18 | 38 | 33 | 1/2" | M16xP2.0 | 60 | 174 | 222 | 267 | 270 | 48 | M30xP1.5 M36xP1.5 可選 | 45 | M27xP3.0 | 35 | 20 | 32 |
| Φ100 | 64 | 50 | 130 | 96 | 25 | 20 | 38 | 33 | 1/2" | M18xP2.5 | 80 | 196 | 246 | 296 | 296 | 50 | M40xP2.0 | 50 | M36xP4.0 | 40 | 20 | 40 |
| Φ125 | 74 | 60 | 162 | 121 | 30 | 24 | 43 | 38 | 3/4" | M22xP2.5 | 80 | 215 | 274 | 334 | 334 | 60 | M50xP2.0 | 60 | M45xP4.5 | 45 | 20 | 50 |
| Φ150 | 97 | 80 | 195 | 144 | 30 | 29 | 48 | 43 | 3/4" | M27xP3.0 | 90 | 240 | 304 | 384 | 369 | 65 | M70xP2.0 | 80 | M60xP5.5 | 45 | 25 | 70 |
| Φ160 | 97 | 80 | 205 | 152 | 30 | 29 | 48 | 43 | 3/4" | M27xP3.0 | 90 | 240 | 304 | 384 | 369 | 65 | M70xP2.0 | 80 | M60xP5.5 | 45 | 25 | 70 |
| Φ180 | 117 | 100 | 235 | 174 | 35 | 34 | 58 | 48 | 1" | M30xP3.5 | 100 | 275 | 354 | 454 | 419 | 65 | M90xP2.0 | 100 | M75xP6.0 | 50 | 25 | 85 |
| Φ200 | 117 | 100 | 260 | 193 | 35 | 39 | 58 | 53 | 1" | M33xP3.5 | 100 | 285 | 364 | 464 | 429 | 65 | M90xP2.0 | 100 | M75xP6.0 | 50 | 25 | 85 |
| Φ220 | 150 | 125 | 285 | 212 | 35 | 44 | 68 | 58 | 1 1/4" | M36xP4.0 | 110 | 315 | 404 | 514 | 479 | 75 | M100xP3.0 | 110 | M95xP6.0 | 55 | 25 | 105 |
| Φ250 | 150 | 125 | 315 | 236 | 35 | 49 | 68 | 63 | 1 1/4" | M39xP4.0 | 110 | 325 | 414 | 524 | 489 | 75 | M100xP3.0 | 110 | M95xP6.0 | 55 | 25 | 105 |
訂購:h0-bd-hi