
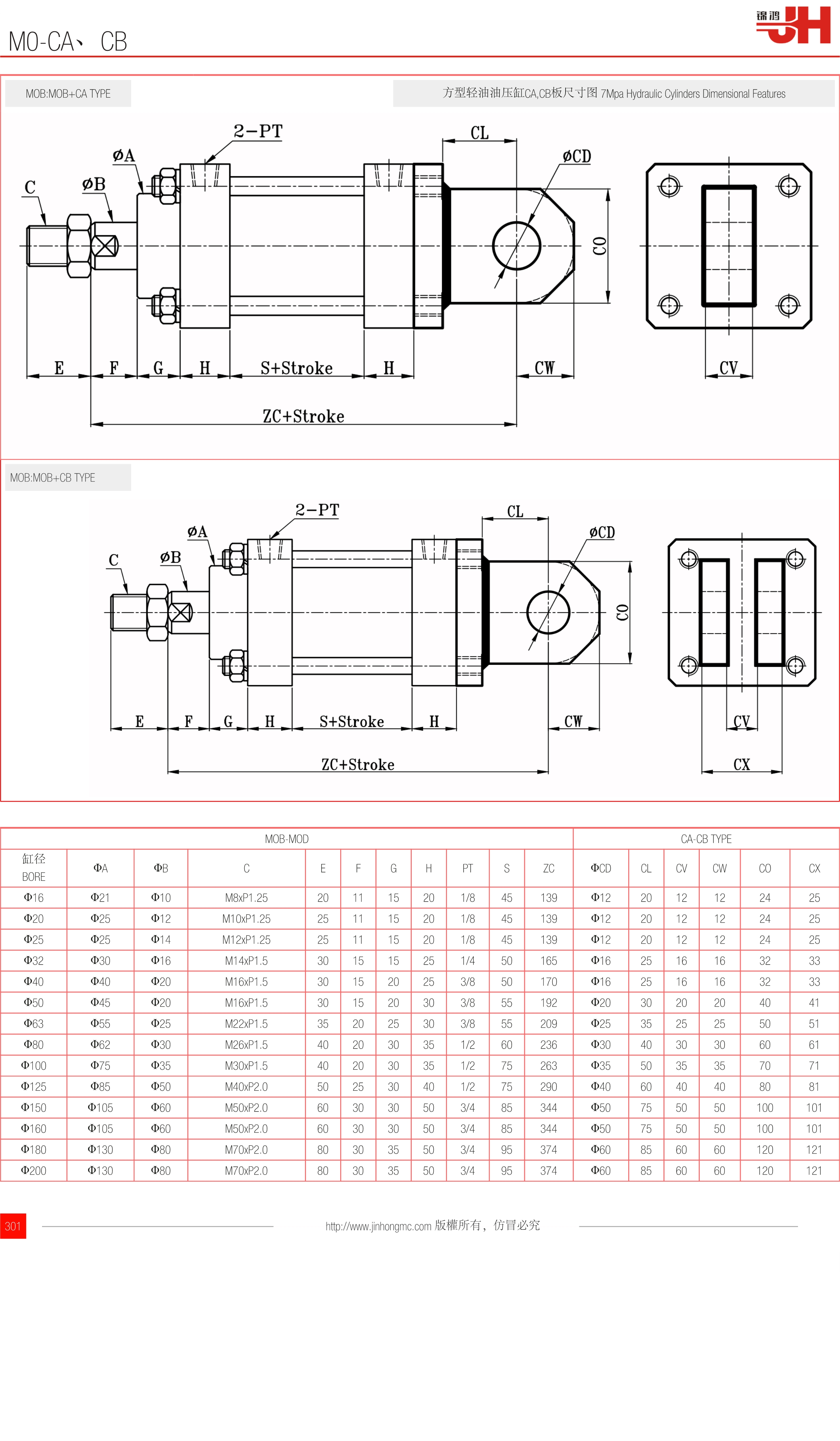
MOB:MOB+CA TYPE | 方型輕油油壓缸CA,CB板尺寸圖 7Mpa Hydraulic Cylinders Dimensional Features |
![]() | |
MOB:MOB+CB TYPE

| MOB-MOD | CA-CB TYPE | |||||||||||||||
| 缸徑 BORE | ΦA | ΦB | C | E | F | G | H | PT | S | ZC | ΦCD | CL | CV | CW | CO | CX |
| Φ16 | Φ21 | Φ10 | M8xP1.25 | 20 | 11 | 15 | 20 | 1/8 | 45 | 139 | Φ12 | 20 | 12 | 12 | 24 | 25 |
| Φ20 | Φ25 | Φ12 | M10xP1.25 | 25 | 11 | 15 | 20 | 1/8 | 45 | 139 | Φ12 | 20 | 12 | 12 | 24 | 25 |
| Φ25 | Φ25 | Φ14 | M12xP1.25 | 25 | 11 | 15 | 20 | 1/8 | 45 | 139 | Φ12 | 20 | 12 | 12 | 24 | 25 |
| Φ32 | Φ30 | Φ16 | M14xP1.5 | 30 | 15 | 15 | 25 | 1/4 | 50 | 165 | Φ16 | 25 | 16 | 16 | 32 | 33 |
| Φ40 | Φ40 | Φ20 | M16xP1.5 | 30 | 15 | 20 | 25 | 3/8 | 50 | 170 | Φ16 | 25 | 16 | 16 | 32 | 33 |
| Φ50 | Φ45 | Φ20 | M16xP1.5 | 30 | 15 | 20 | 30 | 3/8 | 55 | 192 | Φ20 | 30 | 20 | 20 | 40 | 41 |
| Φ63 | Φ55 | Φ25 | M22xP1.5 | 35 | 20 | 25 | 30 | 3/8 | 55 | 209 | Φ25 | 35 | 25 | 25 | 50 | 51 |
| Φ80 | Φ62 | Φ30 | M26xP1.5 | 40 | 20 | 30 | 35 | 1/2 | 60 | 236 | Φ30 | 40 | 30 | 30 | 60 | 61 |
| Φ100 | Φ75 | Φ35 | M30xP1.5 | 40 | 20 | 30 | 35 | 1/2 | 75 | 263 | Φ35 | 50 | 35 | 35 | 70 | 71 |
| Φ125 | Φ85 | Φ50 | M40xP2.0 | 50 | 25 | 30 | 40 | 1/2 | 75 | 290 | Φ40 | 60 | 40 | 40 | 80 | 81 |
| Φ150 | Φ105 | Φ60 | M50xP2.0 | 60 | 30 | 30 | 50 | 3/4 | 85 | 344 | Φ50 | 75 | 50 | 50 | 100 | 101 |
| Φ160 | Φ105 | Φ60 | M50xP2.0 | 60 | 30 | 30 | 50 | 3/4 | 85 | 344 | Φ50 | 75 | 50 | 50 | 100 | 101 |
| Φ180 | Φ130 | Φ80 | M70xP2.0 | 80 | 30 | 35 | 50 | 3/4 | 95 | 374 | Φ60 | 85 | 60 | 60 | 120 | 121 |
| Φ200 | Φ130 | Φ80 | M70xP2.0 | 80 | 30 | 35 | 50 | 3/4 | 95 | 374 | Φ60 | 85 | 60 | 60 | 120 | 121 |
訂購:m0-ca-cb